Industry application

行业应用

空调压缩机
应用概述
空调压缩机应用概述

纯电汽车没有传统燃油车的发动机系统,空调系统(冬制暖/夏制冷)需要功率器件的参与。

空调压缩机
应用系统图
空调压缩机应用系统图
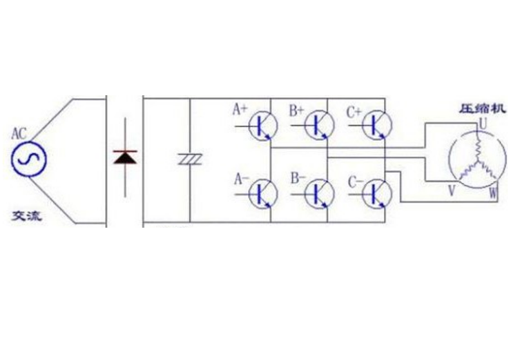
空调压缩机
应用拓扑图
空调压缩机应用拓扑图
空调压缩机
推荐产品

IGBT单管产品清单

Part Number VCE(V) Ic(A)@100℃ Vcesat(V) @25℃
typ
Eon(mJ) Eoff(mJ) Package Datasheet
MPBW50N65E 650 50 1.6 1.22 1.2 TO-247 Download
MPBW40N120BF 1200 40 1.85 1.6 3.0 TO-247 Download